![]() |
Resintech Plastics (M) Sdn Bhd (110562-P) |
![]() |
PE Electro Fusion Fitting |
![]() |
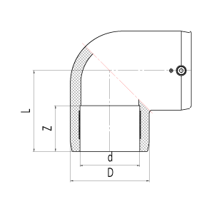
Elbow 90° (PE Electro Fusion Fitting) |
Spec.DN d |
D | Z | L |
---|---|---|---|
32 | 46 | 40 | 60.5 |
40 | 55 | 45 | 69.5 |
50 | 66 | 50 | 85 |
63 | 82 | 58 | 96.5 |
75 | 98 | 63 | 107.5 |
90 | 117 | 68 | 120 |
110 | 142 | 72 | 137.5 |
125 | 164 | 80 | 151.5 |
160 | 203 | 90 | 179 |
180 | 223 | 95 | 203 |
200 | 250 | 103 | 217 |
All unit measurement are based on (mm) |
Material | : | PE80 |
Pressure | : | 1.25 Mpa (Water) 0.8 Mpa (Gas) |
Material | : | PE100 |
Pressure | : | 1.6 Mpa (Water) 1.0 Mpa (Gas) |
Welding Voltage | : | 40v |
Pin Connection Diameter | : | 4.0mm |