![]() |
Resintech Plastics (M) Sdn Bhd (110562-P) |
![]() |
PE Electro Fusion Fitting |
![]() |
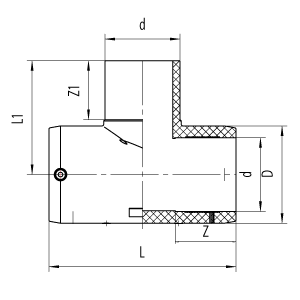
Tee 90° Equal (PE Electro Fusion Fitting) |
Spec.DN d x d |
D | Z1 | L1 | Z | L |
---|---|---|---|---|---|
20 X 20 X 20 | 34 | 45 | 67 | 36 | 94 |
25 X 25 X 25 | 39 | 40 | 65.5 | 39 | 99 |
32 X 32 X 32 | 46 | 45 | 75 | 40 | 110 |
40 X 40 X 40 | 55 | 50 | 84.5 | 45 | 127 |
50 X 50 X 50 | 66 | 56 | 97 | 50 | 147 |
63 X 63 X 63 | 82 | 64 | 113 | 58 | 175 |
75 X 75 X 75 | 98 | 71 | 128 | 63 | 200 |
90 X 90 X 90 | 117 | 80 | 148.5 | 70 | 225 |
110 X 110 X 110 | 142 | 83 | 166 | 72 | 248 |
125 X 125 X 125 | 164 | 88 | 178 | 82 | 264 |
160 X 160 X 160 | 203 | 99 | 213.5 | 90 | 330 |
180 X 180 X 180 | 223 | 105 | 230 | 95 | 365 |
200 X 200 X 200 | 250 | 112 | 254 | 103 | 400 |
All unit measurement are based on (mm) |
Material | : | PE80 |
Pressure | : | 1.25 Mpa (Water) 0.8 Mpa (Gas) |
Material | : | PE100 |
Pressure | : | 1.6 Mpa (Water) 1.0 Mpa (Gas) |
Welding Voltage | : | 40v |
Pin Connection Diameter | : | 4.0mm |