![]() |
Resintech Plastics (M) Sdn Bhd (110562-P) |
![]() |
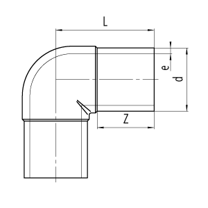
PE Thermoweld Fitting |
![]() |
Elbow 90° (PE Thermoweld Fitting) |
Spec.DN d |
Z | L | e | SDR11 | SDR17 |
---|---|---|---|---|---|
63 | 65 | 115 | 5.8 | ![]() |
![]() |
75 | 72 | 119 | 6.8 | ![]() |
![]() |
90 | 80 | 135 | 8.2 | ![]() |
![]() |
110 | 85 | 150 | 10 | ![]() |
![]() |
125 | 92 | 168 | 11.4 | ![]() |
![]() |
160 | 98 | 193 | 14.6 | ![]() |
![]() |
200 | 112 | 227 | 18.2 | ![]() |
![]() |
225 | 120 | 265 | 13.3 | ![]() |
![]() |
250 | 129 | 265 | 22.7 | ![]() |
![]() |
315 | 120 | 300 | 28.6 | ![]() |
![]() |
400 | 85 | 318 | 23.6 | ![]() |
![]() |
All unit measurement are based on (mm) All thickness are based on SDR11. For other thickness, please refer to this page. |
Material | : | PE80 |
Pressure | : | 1.25 Mpa (Water) 0.8 Mpa (Gas) |
Connection | : | Butt Welding |
Material | : | PE100 |
Pressure | : | 1.6 Mpa (Water) 1.0 Mpa (Gas) |
Connection | : | Butt Welding |