![]() |
Resintech Plastics (M) Sdn Bhd (110562-P) |
![]() |
PE Thermoweld Fitting |
![]() |
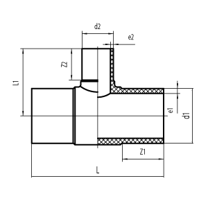
Tee 90° Reducing (PE Thermoweld Fitting) |
Spec.DN d1 x d2 |
Z2 | L1 | Z1 | L | e1 | e2 | SDR11 | SDR17 |
---|---|---|---|---|---|---|---|---|
75 x 32 x 75 | 45 | 95 | 72 | 210 | 6.8 | 2.9 | ![]() |
![]() |
75 x 50 x 75 | 57 | 105 | 72 | 215 | 6.8 | 4.6 | ![]() |
![]() |
75 x 63 x 75 | 65 | 115 | 72 | 228 | 6.8 | 5.8 | ![]() |
![]() |
90 x 32 x 90 | 45 | 105 | 81 | 222 | 8.2 | 2.9 | ![]() |
![]() |
90 x 40 x 90 | 50 | 110 | 81 | 230 | 8.2 | 3.7 | ![]() |
![]() |
90 x 50 x 90 | 57 | 115 | 81 | 240 | 8.2 | 4.6 | ![]() |
![]() |
90 x 63 x 90 | 65 | 125 | 81 | 253 | 8.2 | 5.8 | ![]() |
![]() |
90 x 75 x 90 | 72 | 130 | 81 | 265 | 8.2 | 6.8 | ![]() |
![]() |
110 x 32 x 110 | 45 | 115 | 86 | 240 | 10 | 2.9 | ![]() |
![]() |
110 x 40 x 110 | 50 | 120 | 86 | 240 | 10 | 3.7 | ![]() |
![]() |
110 x 50 x 110 | 57 | 125 | 86 | 250 | 10 | 4.6 | ![]() |
![]() |
110 x 63 x 110 | 65 | 135 | 86 | 260 | 10 | 5.8 | ![]() |
![]() |
110 x 75 x 110 | 72 | 140 | 86 | 270 | 10 | 6.8 | ![]() |
![]() |
110 x 90 x 110 | 81 | 150 | 86 | 290 | 10 | 8.2 | ![]() |
![]() |
125 x 75 x 125 | 71 | 140 | 72 | 245 | 11.4 | 6.8 | ![]() |
![]() |
125 x 75 x 125 | 71 | 147 | 72 | 260 | 11.4 | 8.2 | ![]() |
![]() |
125 x 75 x 125 | 71 | 147 | 72 | 280 | 11.4 | 10 | ![]() |
![]() |
160 x 63 x 160 | 64 | 155 | 75 | 320 | 14.6 | 5.8 | ![]() |
![]() |
160 x 75 x 160 | 71 | 162 | 98 | 320 | 14.6 | 6.8 | ![]() |
![]() |
160 x 90 x 160 | 80 | 173 | 98 | 320 | 14.6 | 8.2 | ![]() |
![]() |
160 x 110 x 160 | 83 | 176 | 98 | 320 | 14.6 | 10 | ![]() |
![]() |
160 x 125 x 160 | 88 | 182 | 98 | 320 | 14.6 | 11.4 | ![]() |
![]() |
200 x 90 x 200 | 80 | 192 | 85 | 360 | 18.2 | 8.2 | ![]() |
![]() |
200 x 110 x 200 | 83 | 195 | 112 | 360 | 18.2 | 10 | ![]() |
![]() |
200 x 125 x 200 | 88 | 201 | 110 | 360 | 18.2 | 11.4 | ![]() |
![]() |
200 x 160 x 200 | 99 | 212 | 100 | 360 | 18.2 | 14.6 | ![]() |
![]() |
225 x 90 x 225 | 71 | 206 | 85 | 450 | 13.3 | 8.2 | ![]() |
![]() |
225 x 110 x 225 | 83 | 221.5 | 120 | 450 | 13.3 | 10 | ![]() |
![]() |
225 x 125 x 225 | 88 | 227.5 | 120 | 450 | 13.3 | 11.4 | ![]() |
![]() |
225 x 160 x 225 | 99 | 238.5 | 120 | 450 | 13.3 | 9.5 | ![]() |
![]() |
225 x 200 x 225 | 113 | 256 | 100 | 450 | 13.3 | 11.8 | ![]() |
![]() |
250 x 90 x 250 | 80 | 218 | 130 | 394 | 22.7 | 8.2 | ![]() |
![]() |
250 x 110 x 250 | 83 | 221.5 | 130 | 412 | 22.7 | 10 | ![]() |
![]() |
250 x 125 x 250 | 88 | 227 | 130 | 438 | 22.7 | 11.4 | ![]() |
![]() |
250 x 160 x 250 | 99 | 238 | 130 | 468 | 22.7 | 14.6 | ![]() |
![]() |
250 x 200 x 250 | 113 | 254 | 130 | 550 | 22.7 | 18.2 | ![]() |
![]() |
315 x 110 x 315 | 83 | 255 | 150 | 515 | 28.6 | 10 | ![]() |
![]() |
315 x 160 x 315 | 99 | 271 | 150 | 515 | 28.6 | 14.6 | ![]() |
![]() |
315 x 200 x 315 | 113 | 286.5 | 140 | 515 | 28.6 | 18.2 | ![]() |
![]() |
315 x 225 x 315 | 121 | 295 | 125 | 515 | 28.6 | 20.5 | ![]() |
![]() |
315 x 250 x 315 | 140 | 314.5 | 115 | 515 | 28.6 | 22.7 | ![]() |
![]() |
400 x 200 x 400 | 113 | 329 | 150 | 550 | 23.6 | 11.8 | ![]() |
![]() |
400 x 225 x 400 | 121 | 337 | 150 | 550 | 23.6 | 13.3 | ![]() |
![]() |
400 x 250 x 400 | 130 | 347 | 150 | 550 | 23.6 | 14.8 | ![]() |
![]() |
All unit measurement are based on (mm) All thickness are based on SDR11. For other thickness, please refer to this page. |
Material | : | PE80 |
Pressure | : | 1.25 Mpa (Water) 0.8 Mpa (Gas) |
Connection | : | Butt Welding |
Material | : | PE100 |
Pressure | : | 1.6 Mpa (Water) 1.0 Mpa (Gas) |
Connection | : | Butt Welding |