![]() |
Resintech Plastics (M) Sdn Bhd (110562-P) |
![]() |
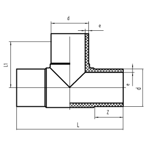
PE Thermoweld Fitting |
![]() |
Tee 90° Equal (PE Thermoweld Fitting) |
Spec.DN d x d |
L1 | Z | L | e | SDR11 | SDR17 |
---|---|---|---|---|---|---|
63 x 63 x 63 | 115 | 65 | 230 | 5.9 | ![]() |
![]() |
75 x 75 x 75 | 120 | 72 | 240 | 6.8 | ![]() |
![]() |
90 x 90 x 90 | 140 | 81 | 280 | 8.2 | ![]() |
![]() |
110 x 110 x 110 | 155 | 86 | 310 | 10 | ![]() |
![]() |
125 x 125 x 125 | 136 | 70 | 294 | 11.4 | ![]() |
![]() |
160 x 160 x 160 | 195 | 98 | 390 | 14.6 | ![]() |
![]() |
200 x 200 x 200 | 230 | 112 | 462 | 18.2 | ![]() |
![]() |
225 x 225 x 225 | 260 | 120 | 550 | 20.5 | ![]() |
![]() |
250 x 250 x 250 | 232 | 130 | 550 | 22.7 | ![]() |
![]() |
315 x 315 x 315 | 260 | 85 | 520 | 28.6 | ![]() |
![]() |
All unit measurement are based on (mm) All thickness are based on SDR11. For other thickness, please refer to this page. |
Material | : | PE80 |
Pressure | : | 1.25 Mpa (Water) 0.8 Mpa (Gas) |
Connection | : | Butt Welding |
Material | : | PE100 |
Pressure | : | 1.6 Mpa (Water) 1.0 Mpa (Gas) |
Connection | : | Butt Welding |