![]() |
Resintech Plastics (M) Sdn Bhd (110562-P) |
![]() |
PE Thermoweld Fitting |
![]() |
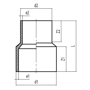
Reducer (PE Thermoweld Fitting) |
Spec.DN d1 x d2 |
Z1 | Z2 | L | e1 | e2 | SDR11 | SDR13.6 | SDR17 | SDR21 |
---|---|---|---|---|---|---|---|---|---|
75 x 32 | 72 | 45 | 155 | 6.8 | 2.9 | ![]() |
![]() |
![]() |
![]() |
75 x 40 | 72 | 52 | 155 | 6.8 | 3.7 | ![]() |
![]() |
![]() |
![]() |
75 x 50 | 72 | 61 | 155 | 6.8 | 4.6 | ![]() |
![]() |
![]() |
![]() |
75 x 63 | 72 | 65 | 150 | 6.8 | 5.8 | ![]() |
![]() |
![]() |
![]() |
90 x 40 | 81 | 50 | 175 | 8.2 | 3.7 | ![]() |
![]() |
![]() |
![]() |
90 x 50 | 81 | 58 | 175 | 8.2 | 4.6 | ![]() |
![]() |
![]() |
![]() |
90 x 63 | 81 | 65 | 170 | 8.2 | 5.8 | ![]() |
![]() |
![]() |
![]() |
90 x 75 | 81 | 72 | 170 | 8.2 | 6.8 | ![]() |
![]() |
![]() |
![]() |
110 x 50 | 86 | 57 | 195 | 10 | 4.6 | ![]() |
![]() |
![]() |
![]() |
110 x 63 | 86 | 68 | 195 | 10 | 5.8 | ![]() |
![]() |
![]() |
![]() |
110 x 75 | 86 | 73 | 190 | 10 | 6.8 | ![]() |
![]() |
![]() |
![]() |
110 x 90 | 86 | 81 | 185 | 10 | 8.2 | ![]() |
![]() |
![]() |
![]() |
125 x 63 | 60 | 65 | 151 | 11.4 | 5.8 | ![]() |
![]() |
![]() |
![]() |
125 x 75 | 60 | 50 | 131 | 11.4 | 6.8 | ![]() |
![]() |
![]() |
![]() |
125 x 90 | 60 | 55 | 130 | 11.4 | 8.2 | ![]() |
![]() |
![]() |
![]() |
125 x 110 | 60 | 60 | 127 | 11.4 | 10 | ![]() |
![]() |
![]() |
![]() |
160 x 90 | 98 | 80 | 208 | 14.6 | 8.2 | ![]() |
![]() |
![]() |
![]() |
160 x 110 | 98 | 82 | 203 | 14.6 | 10 | ![]() |
![]() |
![]() |
![]() |
160 x 125 | 98 | 88 | 202 | 14.6 | 11.4 | ![]() |
![]() |
![]() |
![]() |
200 x 110 | 112 | 82 | 235 | 18.2 | 11.4 | ![]() |
![]() |
![]() |
![]() |
200 x 125 | 112 | 88 | 233 | 18.2 | 11.4 | ![]() |
![]() |
![]() |
![]() |
200 x 160 | 112 | 98 | 227 | 18.2 | 10.0 | ![]() |
![]() |
![]() |
![]() |
225 x 160 | 65 | 65 | 158 | 20.5 | 14.6 | ![]() |
![]() |
![]() |
![]() |
225 x 200 | 72 | 60 | 143 | 20.5 | 18.2 | ![]() |
![]() |
![]() |
![]() |
250 x 160 | 130 | 98 | 267 | 22.7 | 14.6 | ![]() |
![]() |
![]() |
![]() |
250 x 200 | 130 | 112 | 264 | 22.7 | 18.2 | ![]() |
![]() |
![]() |
![]() |
250 x 225 | 75 | 65 | 151 | 22.7 | 20.5 | ![]() |
![]() |
![]() |
![]() |
315 x 200 | 150 | 112 | 314 | 28.6 | 18.2 | ![]() |
![]() |
![]() |
![]() |
315 x 225 | 80 | 70 | 193 | 28.6 | 20.5 | ![]() |
![]() |
![]() |
![]() |
315 x 250 | 150 | 130 | 308 | 28.6 | 22.7 | ![]() |
![]() |
![]() |
![]() |
315 x 280 | 80 | 75 | 170 | 28.6 | 25.5 | ![]() |
![]() |
![]() |
![]() |
355 x 225 | 95 | 73 | 214 | 20.9 | 13.3 | ![]() |
![]() |
![]() |
![]() |
355 x 250 | 95 | 80 | 212 | 20.9 | 14.8 | ![]() |
![]() |
![]() |
![]() |
355 x 280 | 95 | 75 | 197 | 20.9 | 16.5 | ![]() |
![]() |
![]() |
![]() |
355 x 315 | 95 | 80 | 190 | 20.9 | 18.6 | ![]() |
![]() |
![]() |
![]() |
400 x 225 | 95 | 75 | 230 | 23.6 | 13.3 | ![]() |
![]() |
![]() |
![]() |
400 x 250 | 95 | 75 | 225 | 23.6 | 14.8 | ![]() |
![]() |
![]() |
![]() |
400 x 280 | 95 | 75 | 215 | 23.6 | 16.5 | ![]() |
![]() |
![]() |
![]() |
400 x 315 | 100 | 80 | 210 | 23.6 | 18.6 | ![]() |
![]() |
![]() |
![]() |
400 x 355 | 100 | 100 | 218 | 23.6 | 20.9 | ![]() |
![]() |
![]() |
![]() |
450 x 280 | 80 | 80 | 215 | 26.5 | 16.5 | ![]() |
![]() |
![]() |
![]() |
450 x 315 | 80 | 80 | 211 | 26.5 | 18.6 | ![]() |
![]() |
![]() |
![]() |
450 x 355 | 80 | 85 | 205 | 26.5 | 20.9 | ![]() |
![]() |
![]() |
![]() |
450 x 400 | 80 | 100 | 207 | 26.5 | 23.6 | ![]() |
![]() |
![]() |
![]() |
500 x 315 | 80 | 80 | 222 | 29.5 | 18.6 | ![]() |
![]() |
![]() |
![]() |
500 x 355 | 80 | 80 | 218 | 29.5 | 20.9 | ![]() |
![]() |
![]() |
![]() |
500 x 400 | 80 | 100 | 219 | 29.5 | 23.6 | ![]() |
![]() |
![]() |
![]() |
500 x 450 | 80 | 80 | 178 | 29.5 | 26.5 | ![]() |
![]() |
![]() |
![]() |
560 x 355 | 85 | 95 | 250 | 33.2 | 20.9 | ![]() |
![]() |
![]() |
![]() |
560 x 400 | 85 | 100 | 241 | 33.2 | 23.6 | ![]() |
![]() |
![]() |
![]() |
560 x 450 | 85 | 80 | 204 | 33.2 | 26.5 | ![]() |
![]() |
![]() |
![]() |
560 x 500 | 85 | 40 | 150 | 33.2 | 29.5 | ![]() |
![]() |
![]() |
![]() |
630 x 400 | 80 | 100 | 260 | 37.4 | 23.6 | ![]() |
![]() |
![]() |
![]() |
630 x 450 | 80 | 75 | 225 | 37.4 | 26.5 | ![]() |
![]() |
![]() |
![]() |
630 x 500 | 80 | 40 | 166 | 37.4 | 29.5 | ![]() |
![]() |
![]() |
![]() |
630 x 560 | 80 | 40 | 150 | 37.4 | 33.2 | ![]() |
![]() |
![]() |
![]() |
710 x 630 | 45 | 110 | 175 | 41.8 | 37.4 | ![]() |
![]() |
![]() |
![]() |
800 x 710 | 45 | 110 | 180 | 47.1 | 41.8 | ![]() |
![]() |
![]() |
![]() |
All unit measurement are based on (mm) All thickness are based on SDR11. For other thickness, please refer to this page. |
Material | : | PE80 |
Pressure | : | 1.25 Mpa (Water) 0.8 Mpa (Gas) |
Connection | : | Butt Welding |
Material | : | PE100 |
Pressure | : | 1.6 Mpa (Water) 1.0 Mpa (Gas) |
Connection | : | Butt Welding |